ADD:ZhangXiang Rd 1189#.An'ting Town.Jiading District.Shanghai
    Tel:021-59508789-209
    Email:dsc@china-xinbin.com

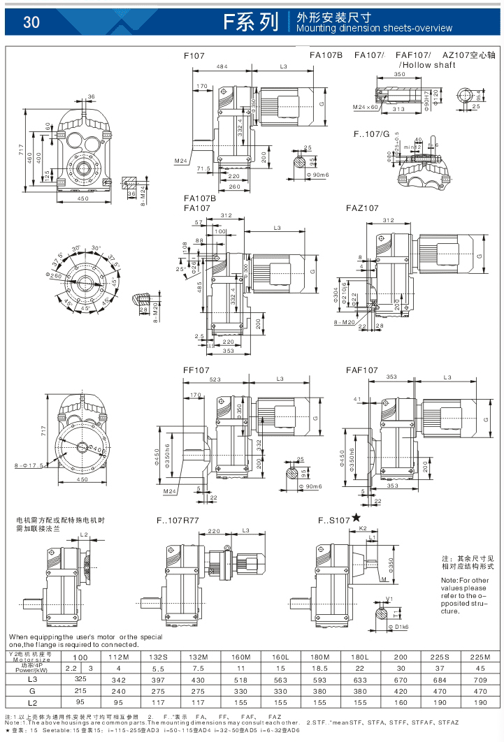
XBFSeries equal axis helical gear reducer